PPMQ-6091

PPMQ-6091
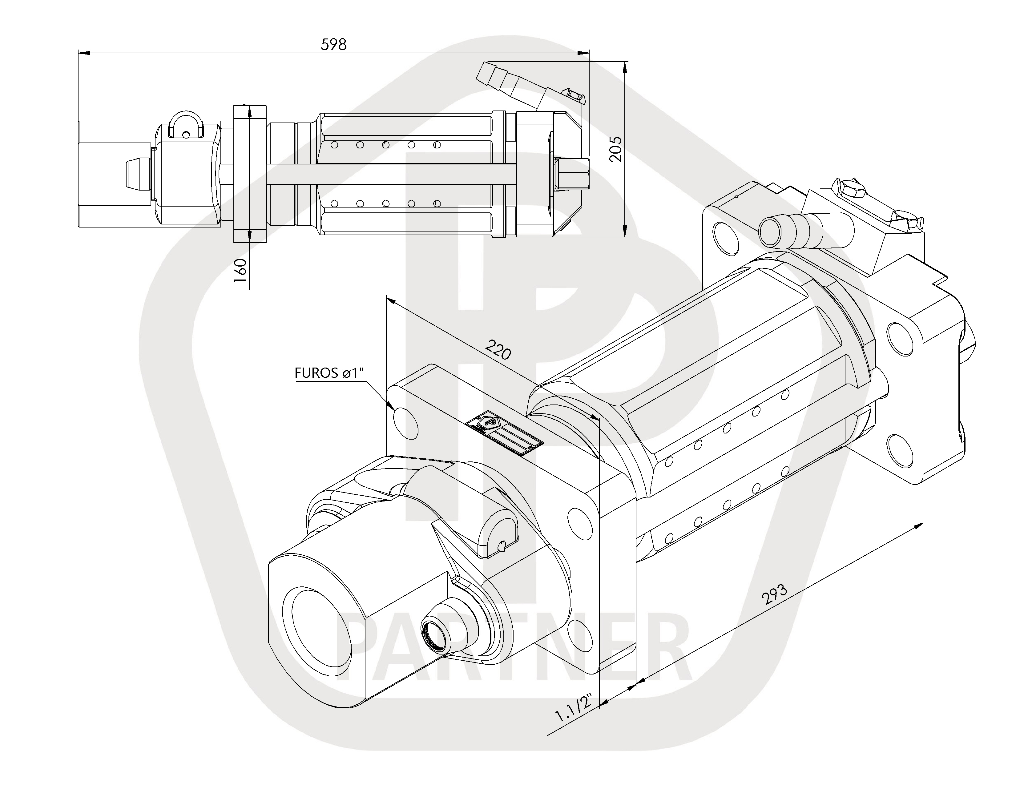
Martelete de grande porte utilizado principalmente para quebrar crostas formadas nos fornos.

Martelete de grande porte utilizado principalmente para quebrar crostas formadas nos fornos de alumínio nas siderúrgicas, sua fixação é feita através de suporte sustentado em pontes rolantes ou braços hidráulicos.

Image

A Partner Pneumática foi fundada em 2003 para fabricar peças de reposição para ferramentas pneumáticas, atendendo empresas de manutenção e revenda. Com a demanda por novos equipamentos, passou a desenvolver engenharia própria e fornecer ferramentas para remoção de materiais. 

Acesso Fácil

Contato

Inscreva-se no nosso newsletter
Off Canvas sidebar is empty