PPMQ-6091_en

PPMQ-6091

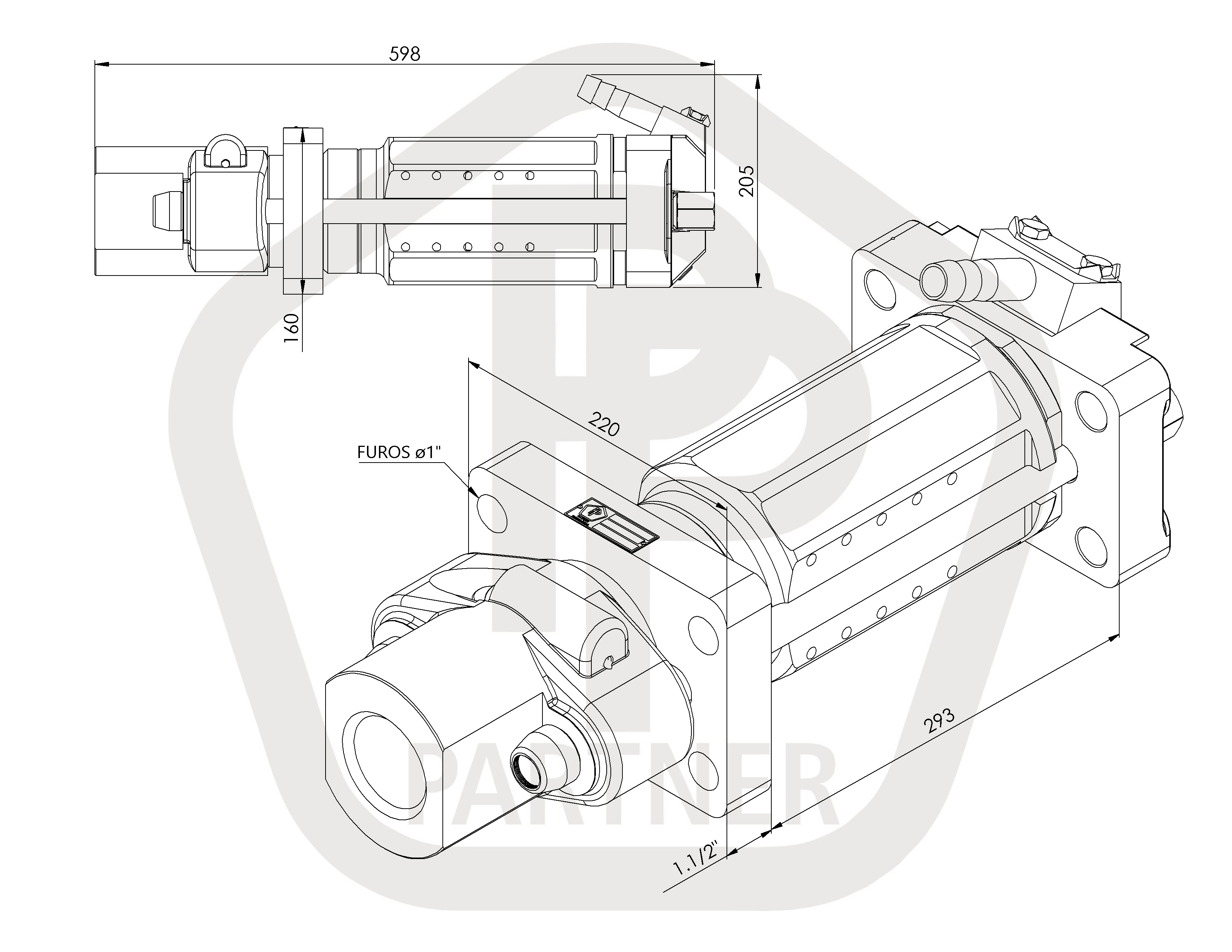
This is a large-scale heavy-duty hammer used primarily to break crusts that form in furnaces. It is mainly used to break crusts in aluminum furnaces in steel mills and is mounted on supports attached to overhead cranes or hydraulic arms.

Image

Partner Pneumática was founded in 2003 to manufacture replacement parts for pneumatic tools, serving maintenance and resale companies. With the growing demand for new equipment, the company began developing its own engineering capabilities and started supplying tools for material removal.

Easy Access

Contact

Subscribe to our newsletter

Off Canvas sidebar is empty